Zener Dioda Je

What Is Jumper Resistor

Zero Ohm Jumper Overview Thick Film Rutronik Tec

Zero Ohm Jumper Overview Thick Film Rutronik Tec

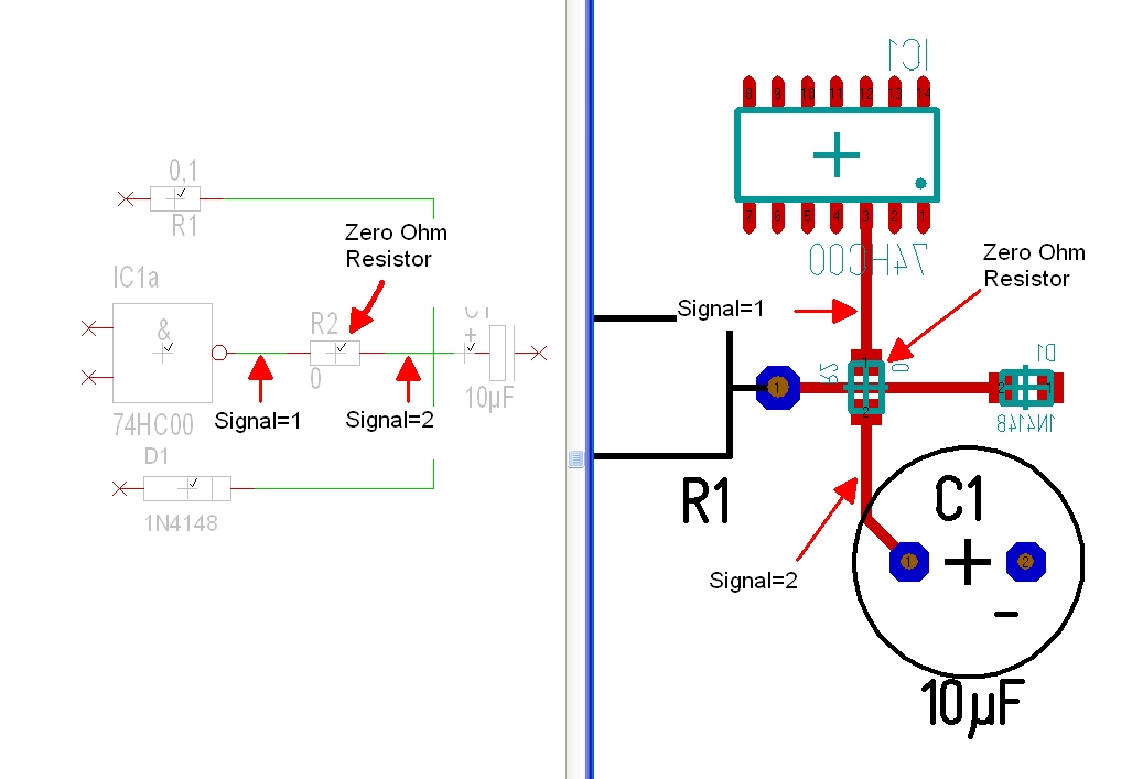
The Zero Ohm Resistor Hackaday

The Zero Ohm Resistor Hackaday

Taiwan Jump Wire Usable Jumper Wire On Pcb And Applicable

Taiwan Jump Wire Usable Jumper Wire On Pcb And Applicable


Taiwan Jump Wire Usable Jumper Wire On Pcb And Applicable
Jumper Or Resistor Electrical Engineering Stack Exchange

Jumper Or Resistor Electrical Engineering Stack Exchange

Pc Cp200 Electronics Lab I Resistors Fixed

Pc Cp200 Electronics Lab I Resistors Fixed

Us 9 83 Geekcreit Portable Components Starter Kit For

Us 9 83 Geekcreit Portable Components Starter Kit For

What Is The Purpose Of Zero Ohm Resistance Quora

What Is The Purpose Of Zero Ohm Resistance Quora

Geekcreit Electronic Components Base Starter Kits With Breadboard Resistor Capacitor Led Jumper Cable With Plastic Box Package For Geekcreit Arduino

Geekcreit Electronic Components Base Starter Kits With Breadboard Resistor Capacitor Led Jumper Cable With Plastic Box Package For Geekcreit Arduino

Rab Breadboard Holder Breadboard 65x Jumper Cable 6x Led 6x Resistor Kit For Raspberry Pi Arduino Uno R3 Mega 2560

Rab Breadboard Holder Breadboard 65x Jumper Cable 6x Led 6x Resistor Kit For Raspberry Pi Arduino Uno R3 Mega 2560

The Mighty Resistor

The Mighty Resistor

Electronic Components Base Starter Kits With Breadboard

Electronic Components Base Starter Kits With Breadboard

Zero Ohm Link

Zero Ohm Link

33 Ohm 1 2 Watt 5 Carbon Film Resistor 5 Pack

33 Ohm 1 2 Watt 5 Carbon Film Resistor 5 Pack

Jumper Or Resistor Electrical Engineering Stack Exchange

Jumper Or Resistor Electrical Engineering Stack Exchange

What Is The Use Of 0 Ohm Resistors Physics Forums

What Is The Use Of 0 Ohm Resistors Physics Forums

Comments