Zener Dioda Je

Tvs Diode H Bridge

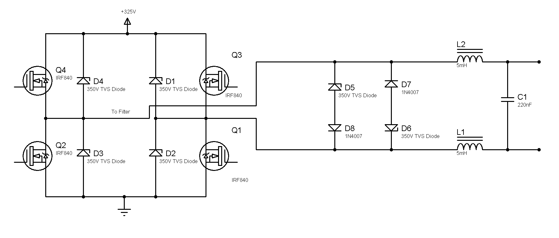
To meet the demand of the fast growing market of lcd television display and its related products diodes incorporated offers complete interface and timing solutions. This diode acts as a catch diode in an h bridge configuration and most mosfet datasheets specify the parameters of this diode.

Safety Features Modular Circuits

Safety Features Modular Circuits

China Smb Do 214aa Smd Tvs Diodes On Global Sources

China Smb Do 214aa Smd Tvs Diodes On Global Sources

Safety Features Modular Circuits

Safety Features Modular Circuits

With a simplified design one diodes mosfet h bridge can replace two dual sos reducing.


Safety Features Modular Circuits

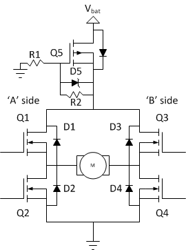
Tvs diode h bridge. You mentioned that gate zener diode maybe uselessi have no experience in this type of circuitsplease tell me that does placing zener diode for high side mosfetst gate cause a problem. The diodes protect the mosfets from these spikes. An h bridge is an electronic circuit that switches the polarity of a voltage applied to a load.

Thus when current is cut off suddenly exactly what an h bridge wants to do especially when controlled as a pwm fracdidt gets extremely large and there is an associated very large spike in voltage. Most dc to ac converters power inverters most acac converters the dc to dc pushpull converter most motor controllers and many other kinds of power electronics use h bridges. The classical reverse diode could not help since the current could not flow back to the disconnected battery.

Diodes incorporateds line of mosfet h bridges optimize the design of dc motor control and inverter circuits. Pcb area footprint by 50 component count and pcb area and overall cost. Analog and digital video switches usb switch bus switch universal voltage translators frequency control supervisory real time clock and media clock for different kinds of lcd tv applications.

My understanding is that they allow current to flow in one direction only thereby preventing short circuits if all four switching elements of an h bridge were activated at once ie the diodes only allow current to flow. In many bridge designs it is possible to use this built in diode of the transistors and not provide external ones but the specification of this diode needs to meet the design requirements obviously. I have a smbj33 tvs diode which is used between the of a motor in a h bridge circuit.

Hello i would like to know the exact purpose of diodes in an h bridge. Ive had some experience of h bridges that were destroyed by the back emf when the battery was disconnected. Ive started adding some tvs diodes in parallel with the motor and since then i havent had an h bridge destroyed that.

These circuits are often used in robotics and other applications to allow dc motors to run forwards or backwards. Hi guys is it appropriate to test a tvs diode using a diode check and simply testing both ways. I think you are rightso i placed bidirectional 350v tvs at h bridge output and maybe it suppress tv and solve problem but i dont test it in practice.

Toshiba Components101

Toshiba Components101

Structure Of The Fully Passive Thyristor Trigger Circuit

Structure Of The Fully Passive Thyristor Trigger Circuit

Safety Features Modular Circuits

Safety Features Modular Circuits

A General Guide To Drsstc Design

A General Guide To Drsstc Design

Plasma Speaker Class 4 Ucsb Ieee

Plasma Speaker Class 4 Ucsb Ieee

Simple Modular Half Bridge Pdf Free Download

Simple Modular Half Bridge Pdf Free Download

Diodes Incorporated Develops Self Protected Mosfets For

Diodes Incorporated Develops Self Protected Mosfets For

Diodes Incorporated Develops Self Protected Mosfets For

Diodes Incorporated Develops Self Protected Mosfets For

Tips For Driving Solenoids Industrial Technical Articles

Tips For Driving Solenoids Industrial Technical Articles

Arduino Full Bridge H Bridge Inverter Circuit Homemade

Arduino Full Bridge H Bridge Inverter Circuit Homemade

Problem With Mosfet In H Bridge Electrical Engineering

Problem With Mosfet In H Bridge Electrical Engineering

Configurable Dc Dc Converter Has Integrated H Bridge With 97

Configurable Dc Dc Converter Has Integrated H Bridge With 97

Comments